
一、YZUL型振動電機產品概述
YZUL系列立式振動電機是我公司新型立式振動電機產品,采用先進的單法蘭結構,設計精巧,運行安全可靠,單法蘭結構使得立式振動電機安裝維護方便,同時可大大減輕主機重量,減小主機外形尺寸、簡化主機結構、降低主機成本,使得主機對物料的處理量更大。
立式振動電機主要應用于旋振篩、超聲波振動篩、振動破碎機、振動混料機等設備,用來產生圓形或橢圓形復合振動,用以提高篩分效率和篩分精度,有效完成清理零件表面質量,提高破碎或混料效果。
二、YZUL型振動電機主要特點
1.噪音低、能耗低、效率高。
2.體積小、重量輕、啟動迅速。
3.安裝便捷、維護簡單、壽命長。
4.激振力易于無級調整且調節范圍廣、振動無機械傳導。
三、YZUL型振動電機工作原理
YZUL型振動電機是動力源與振動源結合為一體的激振源,振動電機是在轉子軸兩端各安裝一組可調偏心塊,利用軸及偏心塊高速旋轉產生的離心力得到激振力。由電機本身運行產生易于調整的水平、垂直、傾斜等方向多元激振力,形成物料的快速平面分散、中心聚集、平面旋轉、三維旋轉等多種運動方式,用于控制排料速度、處理精度等機械性能指標,以其獨特的結構特點適應于不同的機械對振動源的要求。
YZUL型振動電機技術參數:
|
||||||||||||||||||||||||||||||||||||||||||||||||||||||||||||||||||||||||||||||||||||||||||||||||||||||||||||||||||||||||||||||||||||||||||||||||||||||||||||||||||||||||||||||||||||||||||||||||||||||||||||||||||||||||||||||||||||||||||||||||||||||||||||||||||||||
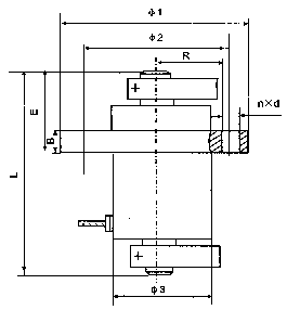
| YZUL型振動電機安裝尺寸圖表:
注:訂貨時請說明振動電機型號、額定功率、激振力、極數及安裝結構形式,本系列電機不附帶其他裝置,有特殊要求者(油漆、電壓及長度、是否配備電控箱等)經雙方協商后方可訂貨。 |
||||||||||||||||||||||||||||||||||||||||||||||||||||||||||||||||||||||||||||||||||||||||||||||||||||||||||||||||||||||||||||||||||||||||||||||||||||||||||||||||||||||||||||||||||||||||||||||||||||||||||||||||||||||||||||||||||||||||||||||||||||||||||||||||||||||
